
Наш успех зависит от вашего удовлетворения! Компания Microcyber специализируется на решениях в области промышленной автоматизации и использует ведущие мировые технологии для предоставления клиентам высокоточных трансформаторов давления, температурных датчиков, преобразователей протоколов полевых шин и других продуктов на месте.
Подробнее КонтактыКомпания Microcyber специализируется на решениях в области промышленной автоматизации и использует ведущие мировые технологии для предоставления клиентам высокоточных трансформаторов давления, температурных датчиков, преобразователей протоколов полевых шин и других продуктов на месте.
Патенты, авторские права на компьютерное программное обеспечение и т. д.
Компания Microcyber предоставила клиентам в более чем 30 странах мира надежные продукты и высококачественные услуги в области автоматизации процессов.
Благодаря своим передовым технологиям, высококачественным продуктам и профессиональным услугам компания добилась широкого охвата во многих отраслях, оказывая мощную поддержку цифровой трансформации и интеллектуальной модернизации различных отраслей.

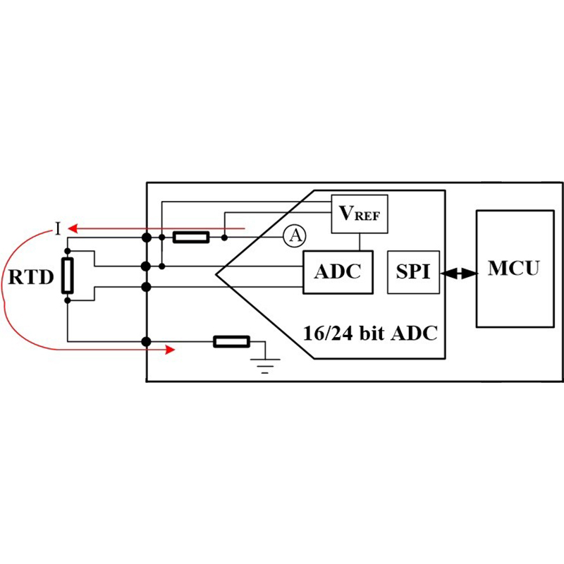
Интеллектуальный прибор с технологией полевой шины нового поколения является незаменимым полевым устройством для управления технологическими процессами, поддерживающим основные протоколы промышленных шин, такие как HART, Foundation Fieldbus, PROFIBUS PA, PROFIBUS DP и др. Он может использоваться для сбора и контроля температуры, давления, тока и других сигналов на промышленных объектах и подходит для различных сред управления производством.
Для различных потребностей мы предлагаем коммуникационные микросхемы для полевых шин - встраиваемые коммуникационные модули серии M - шлюзы для преобразования протоколов полевых шин серии G и другие продукты, которые поддерживают основные протоколы промышленных шин, такие как HART, Foundation Fieldbus, PROFIBUS PA, PROFIBUS DP и т.д., и могут помочь пользователям быстро завершить разработку интеллектуальных приборов для полевых шин для всех типов производителей приборов.
Беспроводные промышленные продукты WirelessHART широко используются в обрабатывающей промышленности для удовлетворения потребности в надежной, стабильной и безопасной беспроводной связи. Модуль беспроводной связи серии M, шлюз серии G и беспроводной прибор, разработанные компания Microcyber (ZKBM), являются единственными в Китае продуктами, прошедшими международную сертификацию и проверку на совместимость с продукцией нескольких поставщиков, что позволяет использовать их во всех сценариях промышленного мониторинга и управления.
Являясь старшим членом FCG и PI-China, компания Microcyber (ZKBM) разработала ряд вспомогательных устройств для полевых шин, включая сигнальный модем HART, распределитель полевой шины (распределительную коробку), источник питания для полевой шины, устройства согласования клемм полевой шины, активные клеммы PROFIBUS DP и т.д., которые широко используются на всех видах промышленных объектов.
Компания имеет ряд отраслевых квалификаций и сертификатов, которые являются важными показателями технической мощи и уровня управления компании, а также оказывают ей надежную поддержку для участия в рыночной конкуренции.
Подробнее
• Государственные научно - технические исследования • Демонстрация индустриализации высоких технологий • Важные государственные научно - технические проекты • Национальная программа приоритетных исследований и разработок • План 863 • Инновационное развитие промышленного Интернета
• Национальный инженерный центр сетевой системы контроля • Центр технических инноваций промышленного Интернета провинции Ляонин • Инженерный центр сетевых систем управления в провинции Ляонин • Шэньянский технологический институт промышленной интернет - индустрии
• Обладает патентами, авторскими правами на компьютерное программное обеспечение и т.д. в общей сложности более 150
Если возникнут какие-либо вопросы, вы можете связаться с нами в любое время.
Промышленные модули M0307 и MC0307 — преобразование Modbu...
Важное достижение: серия MCAFD успешно прошла сертификаци...
Внутри «черного ящика»: Как на самом деле работает темпер...
Статья: Модернизация промышленной связи — Встраиваемый мо...
В условиях непрерывного и высокоинтенсивного производства он по-прежнему может точно выполнять различные инструкции, что значительно повышает эффективность нашего производства.
Артем
В сложных и суровых промышленных условиях сбор данных осуществляется точно, а передача сигналов стабильна, что обеспечивает надежную гарантию нашего производственного мониторинга.
Мария
Персонал службы поддержки клиентов компания Microcyber (ZKBM) всегда готов оперативно ответить на любые вопросы, будь то ежедневные технические консультации или вопросы, возникающие в процессе использования продукции. Отношение к обслуживанию у них очень хорошее. Они всегда терпеливо отвечают на наши вопросы и никогда не раздражаются.
Константин